
| Parameter | Index | Unit |
| Particulate matter measurement range | 0.3 ~ 1.0; 1.0 ~ 2.5; 2.5 ~ 10 | Micrometer (um) |
| Particle counting efficiency | 50% @ 0,3 microns 98% @> = 0.5 microns | |
| Effective range of particulate matter concentration (PM2.5 standard value) | 0-500 | Μg / m3 |
| Particulate matter concentration resolution | 1 | Μg / m3 |
| Particulate matter concentration consistency (PM2.5 standard value) * | ± 10% @ 100 ~ 500μg / m3 ± 10 μg / m3 @ 0 ~ 100 μg / m3 |
|
| Quasi-volume | 0.1 | Liter (L) |
| Single response time | <1 | Second (S) |
| Comprehensive response time | <= 10 | Second (S) |
| DC supply voltage | Typ: 5.0 Min: 4.5 Max: 5.5 | Volt (V) |
| Working current | <= 100 | Milliamp (mA) |
| Stand-by current | <= 200 | Microampere (uA) |
| Data interface level | L <0.8 @ 3.3 H> 2.7@3.3 | Volt (V) |
| Working temperature | -10 to +60 | Photography (° C) |
| Operating humidity range | 0-99% | |
| Storage temperature range | -40 ~ + 80 | Photography (° C) |
| MTBF | > = 3 | Year (Y) |
| Size | 38x35x12 | Millimeter (mm) |
Pin Function:
| PIN1 | VCC | Power + 5V |
| PIN2 | VCC | Power + 5V |
| PIN3 | GND | power supply- |
| PIN4 | GND | power supply- |
| PIN5 | RESET | Module reset signal / TTL level @ 3.3V, low reset |
| PIN6 | NC | / |
| PIN7 | RX | Serial receive pin / TTL level@3.3V |
| PIN8 | NC | / |
| PIN9 | TX | Serial transmit pin / TTL level@3.3V |
| PIN10 | SET | Set pin / TTL level @ 3.3V, high level or floating for normal working state, low level for sleep state |
| Parameter | Index | Unit |
| Particulate matter measurement range | 0.3 ~ 1.0; 1.0 ~ 2.5; 2.5 ~ 10 | Micrometer (um) |
| Particle counting efficiency | 50% @ 0,3 microns 98% @> = 0.5 microns | |
| Effective range of particulate matter concentration (PM2.5 standard value) | 0-500 | Μg / m3 |
| Particulate matter concentration resolution | 1 | Μg / m3 |
| Particulate matter concentration consistency (PM2.5 standard value) * | ± 10% @ 100 ~ 500μg / m3 ± 10 μg / m3 @ 0 ~ 100 μg / m3 |
|
| Quasi-volume | 0.1 | Liter (L) |
| Single response time | <1 | Second (S) |
| Comprehensive response time | <= 10 | Second (S) |
| DC supply voltage | Typ: 5.0 Min: 4.5 Max: 5.5 | Volt (V) |
| Working current | <= 100 | Milliamp (mA) |
| Stand-by current | <= 200 | Microampere (uA) |
| Data interface level | L <0.8 @ 3.3 H> 2.7@3.3 | Volt (V) |
| Working temperature | -10 to +60 | Photography (° C) |
| Operating humidity range | 0-99% | |
| Storage temperature range | -40 ~ + 80 | Photography (° C) |
| MTBF | > = 3 | Year (Y) |
| Size | 38x35x12 | Millimeter (mm) |
Package includes:
1 x Air Quality Tester
1 x Cable
Pin Function:
| PIN1 | VCC | Power + 5V |
| PIN2 | VCC | Power + 5V |
| PIN3 | GND | power supply- |
| PIN4 | GND | power supply- |
| PIN5 | RESET | Module reset signal / TTL level @ 3.3V, low reset |
| PIN6 | NC | / |
| PIN7 | RX | Serial receive pin / TTL level@3.3V |
| PIN8 | NC | / |
| PIN9 | TX | Serial transmit pin / TTL level@3.3V |
| PIN10 | SET | Set pin / TTL level @ 3.3V, high level or floating for normal working state, low level for sleep state |




Notice: The function and technology for PMS7003M and PMS7003 are the same, the difference is that the inlet and outlet position is not the same.
Main characteristics
Zero false alarm rate
Real-time response
Correct data
Minimum distinguishable particle diameter :0.3 micrometer
High anti-interference performance because of the patent structure of six sides shielding
Optional direction of air inlet and outlet in order to adapt the different design
Very slim
Overview
For PMS7003 is a kind of digital and universal particle concentration sensor, which can be used to obtain the number of suspended particles in the air, i.e. the concentration of particles, and output them in the form of digital interface. This sensor can be inserted into variable instruments related to the concentration of suspended particles in the air or other environmental improvement equipments to provide correct concentration data in time.
Working principle
Laser scattering principle is used for such sensor, i.e. produce scattering by using laser to radiate suspending particles in the air, then collect scattering light in a certain degree, and finally obtain the curve of scattering light change with time. In the end, equivalent particle diameter and the number of particles with different diameter per unit volume can be calculated by microprocessor based on MIE theory. Please find the functional diagram of each part of sensor from Figure 1 as follows.
Output result
Mainly output as the quality and number of each particles with different size per unit volume, the unit volume of particle number is 0.1L and the unit of mass concentration is μg/m³.
There are two options for digital output: passive and active. Default mode is active after power up. In this mode sensor would send serial data to the host automatically .The active mode is divided into two sub-modes: stable mode and fast mode. If the concentration change is small the sensor would run at stable mode with the real interval of 2.3s.And if the change is big the sensor would be changed to fast mode automatically with the interval of 200~800ms, the higher of the concentration, the shorter of the interval.
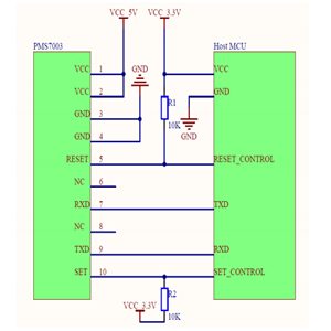
Circuit Attentions
DC 5V power supply is needed because the FAN should be driven by 5V. But the high level of data pin is 3.3V. Level conversion unit should be used if the power of host MCU is 5V.
The SET and RESET pins are pulled up inside so they should not be connected if without usage. A sensor is only equipped with a female seat, the mother is difficult to pull out after insertion, please note.
PIN7 and PIN8 should not be connected.
Stable data should be got at least 30 seconds after the sensor wakeup from the sleep mode because of the fan’s performance.
Installation Attentions
Metal shell is connected to the GND so be careful not to let it shorted with the other parts of circuit except GND.
The best way of install is making the plane of inset and outset closely to the plane of the host. Or some shield should be placed between inset and outset in order to prevent the air flow from inner loop.
The blowhole in the shell of the host should not be smaller than the inset.
The sensor should not be installed in the air flow way of the air cleaner or should be shielded by some structure.
The sensor should be installed at least 20cm higher than the grand in order to prevent it from blocking by the flock dust.
Do not break up the sensor.
Other Attentions
Only the consistency of all the PM sensors of PLANTOWER is promised and ensured. And the sensor should not be checked with any third party equipment.
The sensor is usually used in the common indoor environment. So some protection must be added if using in the conditions as followed:
The time of concentration ≥300μg/m³ is longer than 50% of the whole year or concentration≥500μg/m³ is longer than20% of the whole year.
Kitchen
Water mist condition such as bathroom or hot spring.
outdoor










Shipping | Delivery Period | For in-stock parts, orders are estimated to ship out in 3 days. Elecbee ships orders once a day at about 5pm except Sunday. Once shipped, estimated delivery time depends on the below carriers you chose. DHL Express: 3-7 business days DHLeCommerce: 12-22 business days FedEx International Priority: 3-7 business days EMS: 10-15 business days Registered Air Mail: 15-30 business days | |
| Shipping Rates | Shipping rates for your order can be found in the shopping cart. | ||
| Shipping Options | Shipping rates for your order can be found in the shopping cart. | ||
| Shipping Tracking | We will notify you by email with tracking number once order is shipped. You can track your order using the “Track My Order” feature. | ||
| Returning/Warranty | Returning | Returns are normally accepted when completed within 30 days from date of shipment, please contact customer service for a return authorization. Parts should be unused and in original packaging. Customer has to take charge for the shipping | |
| Warranty | All Elecbee purchases come with a 30-day money-back return policy, plus 1-year Elecbee warranty against any manufacturing defects. | ||
| This warranty shall not apply to any item where defects have been caused by improper customer assembly failure by customer to follow instructions, product modification, negligent or improper operation | |||
| Ordering | How to Buy | Elecbee accepts online orders. | |
| Add to cart > Check out > Submit order > Complete payment > Delivery | |||
| Payment | PayPal, Credit Card includes Visa, Master, American Express, Bank transfer. | ||